
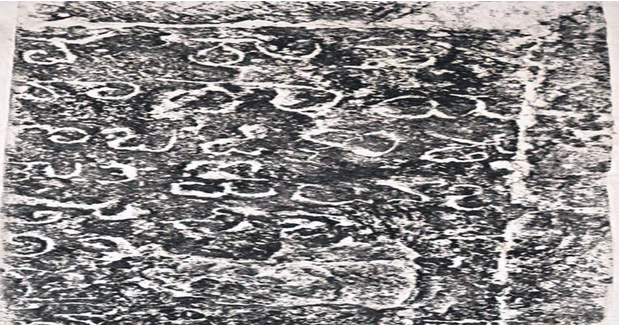
ఉత్తరప్రదేశ్లోని వారణాసీ జిల్లాలో ఉన్న కాశీవిశ్వనాథుని ఆలయం సమీపంలోని జ్ఞానవాపి మసీదు ప్రాంతంలో జరిపిన తవ్వకాల్లో హిందూ దేవతల విగ్రహాలు బయల్పడిన విషయం తెలిసిందే. వీటితోపాటు తెలుగు లిపితో ఉన్న ఒక శిలా శాసనాన్ని కూడా భారత పురాతత్వ శాస్త్రవేత్తలు వెలికి తీశారు. తిరుపతికి చెందిన ఏఎ్సఐ డైరెక్టర్ మునిరత్నం రెడ్డి ఆ శాసనంపై ఉన్న తెలుగు లిపిని డీకోడ్ చేశారు.
ఆయన చెప్పిన వివరాల ప్రకారం.. శిలాశాసనంపై ‘మల్లన్న భట్టు, నారాయణ భట్టు’ పేర్లు ఉన్నాయి. నారాయణ భట్టు కుమారుడే మల్లన్న భట్టు. వీరు తెలుగు బ్రాహ్మణులు. 1585లో పునర్నిర్మించిన కాశీవిశ్వనాథుని ఆలయ నిర్మాణ పనులను పర్యవేక్షించారు. 15వ శతాబ్దంలో జౌన్పూర్ సుల్తాన్ హుస్సేన్ షార్కి(1458-1505) కాశీవిశ్వనాథుని మందిరాన్ని కూల్చేశారు. తర్వాత కాలంలో రాజ్యం చేపట్టిన రాజా తోడరమల్లు ఈ ఆలయాన్ని పునర్నిర్మించాలని నిర్ణయించారు. దక్షిణ భారత దేశానికి చెందిన నిపుణులైన నారాయణ భట్టును సంప్రదించి ఈ బాధ్యతలను ఆయనకు అప్పగించారని చరిత్ర చెబుతోంది. నారాయణ భట్టు పర్యవేక్షణలోనే కాశీ విశ్వనాథుని మందిరం పునర్నిర్మితమైంది. తాజాగా లభించిన శిలా శాసనం ఈ విషయాన్ని నిర్ధారిస్తోందని మునిరత్నం రెడ్డి పేర్కొన్నారు.





